4.2 Blaxtair AHD MR130-MR260 mit 7" wasserdichtem Display - Datenblatt
Beschreibung
![]() | ![]() | ![]() | ![]() |
Blaxtair rettet Leben. Die fortschrittlichste Fußgängererkennungslösung, die entwickelt wurde, um Kollisionen mit Maschinen zu verhindern. Sie warnt Fahrer rechtzeitig vor Gefahren, vermeidet unnötige Alarme und hilft HSE- sowie Baustellenmanagern, das Unfallrisiko zu kontrollieren und zu reduzieren.
Kompakt, robust und einfach zu installieren – mit unübertroffener Leistung auf dem Markt. Blaxtair ist die einzige KI-gestützte Kamera, die Fußgänger in Echtzeit präzise erkennen und lokalisieren kann, unabhängig von deren Haltung (stehend, hockend oder teilweise verdeckt), selbst in den anspruchsvollsten Arbeitsumgebungen.
Verbessert Sicherheit, Arbeitsbedingungen und Produktivität
Vermeidet unnötige Warnungen, die den Fahrer ermüden
Kontrolliert und reduziert das Unfallrisiko
Einfach zu installieren und zu konfigurieren dank der Blaxtair-App

Zertifizierungen
Standards | Typ |
Wasser-/Staubschutz | |
KI-Kamera | IP6X (vollständig staubdicht) gemäß NF EN 60529 IPX7 (Schutz gegen vorübergehendes Untertauchen in Wasser unter Druck) gemäß ISO 20653 IPX9K (Schutz gegen Hochdruck- und Hochtemperatur-Wasserstrahlen) gemäß ISO 20653 |
Display | IP66 |
Steckverbinder des Kamerakabels, AHD- und GPIO-Kabels | IP65 |
AHD- und GPIO-Kabel | IP65 |
Klimatest | |
KI-Kamera | ISO 16750-4, IEC 60068-2-1, IEC 60068-2-2 |
Vibrationen & Stöße | |
KI-Kamera | ISO 16750-3, IEC 60068-2-64 - Zufällige Vibration, IEC 60068-2-27 - Stöße |
Elektromagnetische Verträglichkeit | |
KI-Kamera | EN 61000-6-3:2007+A1:2011+AC:2012 - Elektromagnetische Verträglichkeit (EMC) - Part 6-3: Generische Normen - Emissionsnorm für Wohn-, Geschäfts- und Leichtindustrieumgebungen 25/09/2007 EN IEC 61000-6-2:2019 - Elektromagnetische Verträglichkeit (EMC) - Part 6-2: Generische Normen - Störfestigkeitsnorm für Industrieumgebungen |
Elektrische Lasten | |
KI-Kamera | ISO 7637-2, ISO 16750-2 (Ausgenommen Lastabwurfprofile 5a/5b) |
Assistenzsysteme zur Objekterkennung Erdbewegungsmaschinen | ISO 16001 |
Umwelt | Reach, RoHS |
Kennzeichnungen(*) | CE (Europa), UKCA (Großbritannien), FCC ID (USA), IC ID (Kanada) |
(*) Geplant
Die Schutzart wird unter den folgenden Bedingungen gewährleistet:
Das Produktgehäuse darf während des gesamten Lebenszyklus nicht geöffnet werden.
Alle Schrauben/Steckverbinder müssen in der werkseitigen Lieferkonfiguration verbleiben.
Schutzkappen müssen auf den Steckverbindern bleiben, wenn diese nicht angeschlossen sind. Kappen sind nicht im Lieferumfang enthalten.
Technische Spezifikationen
Abmessungen
KI-Kamera mit Schutzabdeckung | ||
|---|---|---|
Vorderansicht | Seitenansicht | Unteransicht |
![]() | ![]() | ![]() |
Die Abmessungen sind ausschließlich für kommerzielle Zwecke bestimmt. Die Abbildungen sind nicht maßstabsgetreu.
Abmessungen L x B x T [mm] (Zoll) | Gewicht (g) | |
|---|---|---|
KI-Kamera (ohne Schutzabdeckung) | 80,4 x 53,4 x 71,5 mm (3.2 x 2.1 x 2.8 in) | 425g (without protective hood) |
7” Mono-Eingangs-Display | 194 x 127 x 40 mm (7.5 x 4.7 x 1.5 in) | 737g |
Gehäuse - KI-Kamera | |
Kameragehäuse | Aluminiumlegierung ADC12 |
Farbe | Gelb RAL 1003 für die Schutzabdeckung |
Elektrisch
Nennspannung | 12-24 VDC nominal Für Fahrzeugspannungen >24 VDC verwenden Sie einen Spannungswandler. |
Eingangsspannung | ~12-32 VDC |
Leistungsaufnahme | MR130: 31W max @12V | MR260: 36W max @12V Abhängig von Systemnutzung und Konfiguration |
Umgebungsbedingungen
Betriebs- und Lagertemperatur | |
KI-Kamera | Betrieb und Lagerung: -20°C bis +70°C (-4°F bis 158°F) |
7” Mono-Eingangs-Display (*) | Betrieb: -20°C bis +70°C (-4°F bis 158°F) |
( * ) Geplant
Erkennungsleistung
Erkennungsverzögerung | Latenz < 300 ms Gemäß Tests im Labor (von der Präsenz eines Fußgängers im Sichtfeld bis zur Aktivierung des diskreten Ausgangs) |
Betriebsbeleuchtungsbereich | >300 Lux (empfohlen für beste Leistung) |
Fußgängererkennung – Sichtfeld | Diagonal - 152° |
Erkannte Fußgängerpositionen | Stehend, Hockend, Verdeckt/Abgeschnitten, Liegend *Die Leistung hängt von der Szene ab |
Startdauer | ~0 s mit der Option Festschlafmodus-Relais |
Bild- und Tonleistung - 7"-Display
Auflösung | 1024 x 600 px |
Volumen maximal | 93 dB |
Steckverbinder
Steckverbinder der KI-Kamera und AHD/GPIO-Kabel | |
|---|---|
![]() | ![]() |
Kabelname | Steckverbindertyp | Länge (mm) | Beschreibung | |
Kamerazuleitungskabel | 8pins | 400 mm | Video, Ton, Daten, Strom, Masse | |
AHD / GPIO-Kable - AHD-Teil | 8pins | 3 000 mm | Video, Ton, Strom, Masse | ![]() |
AHD / GPIO-Kable - Ein/Ausgangteil | Drähte | 3 000 mm | Masse: Schwarz Diskreter Ausgang x3: Gelb, Rot, Grün Diskreter Eingang x1: Weiß |
BXT AHD 7" Display - Mono-Eingang | |||
|---|---|---|---|
![]() | |||
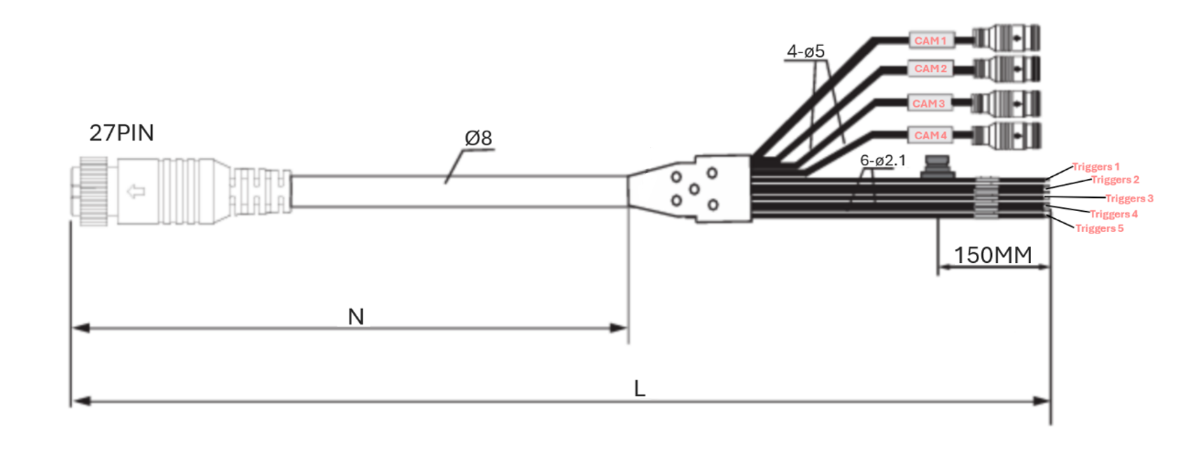
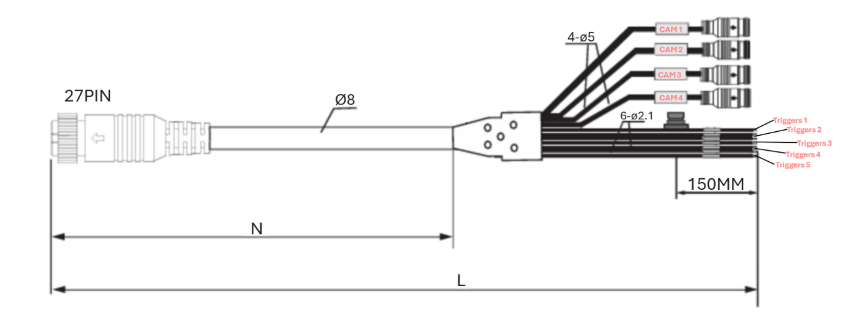
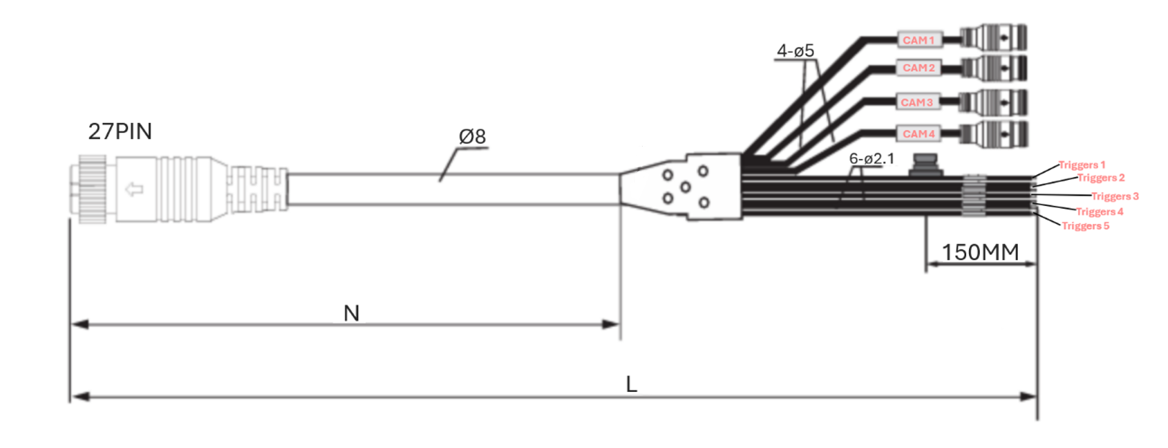
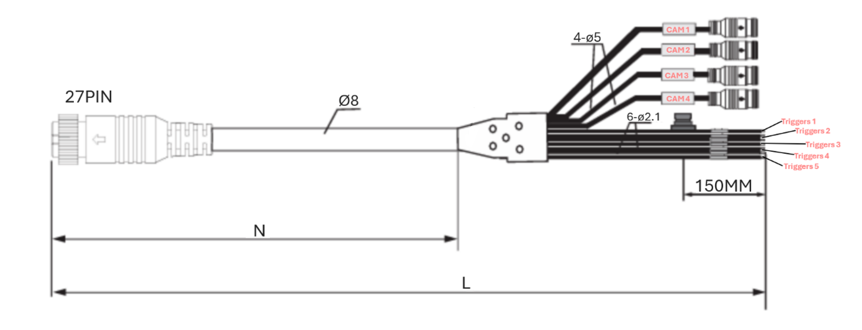
Display-Zuleitungskabel | 27pins | 320 mm | Stromversorgung, Kameraeingänge |
7"-Displaykabel-Verlängerungsstecker | ||||
|---|---|---|---|---|
Kable “CAM1” | 8pins | 1800 mm | Stromversorgung der 1. Kamera, Videosignal und Ton | ![]() |
Kable “CAM2” | 8pins | 1800 mm | Stromversorgung der 2. Kamera, Videosignal und Ton | |
Kable “CAM3” | 8pins | 1800 mm | Nicht verwendet | |
Kable “CAM4” | 8pins | 1800 mm | Nicht verwendet | |
VCC und Masseleitungen | Kein Stecker | 1800 mm | System-Stromversorgung | |
Weitere Leitungen | Kein Stecker | 1800 mm | Zum Auslösen der Kamera im Vollbildmodus | |
![]() L = 1 800 mm & N = 155 mm | ||||
BXT AHD Konfigurationsgerät und Konfigurationskabel | |
|---|---|
Verlängerungssplitkabel zur Verwendung bei der Kamerakonfiguration und Softwareaktualisierung. Das BXT-Konfigurationsgerät muss vor dem Start der Konfigurations- oder Softwareaktualisierungsprozedur an das Verlängerungskabel angeschlossen werden. | |
![]() | ![]() |
Die Konfiguration wird über die Blaxtair-App auf einem Computer oder Smartphone durchgeführt. Die Blaxtair-App ermöglicht die Verbindung mit dem BXT AHD Konfigurationsgerät, indem der QR-Code auf dem Konfigurator mit der App gescannt wird (oder durch die Verbindung mit dem von dem Konfigurationsgerät erzeugten Blaxtair-WiFi).Verschiedenes
Sonstiges
Unterstützte Sprachen | Englisch, Französisch, Deutsch, Spanisch |
Diagnose | Verschiedene Statusbedingungen werden im internen Diagnoselog erfasst. Kritische Fehlermeldungen werden zudem auf dem Bildschirm angezeigt. |
Bestellinformationen
BXT Detektionssystem - AHD MR130 mit Standard-Display Multi 7" Wasserdicht | ||
|---|---|---|
110-950-005 | HS code | 8528.5900 |
1 x BXT AHD - AI-Kamera mit 3,4m Kabel und U-Bracket, | ||
BXT Detektionssystem - AHD MR260 mit Standard-Display Multi 7" Wasserdicht | ||
|---|---|---|
110-950-006 | HS code | 8528.5900 |
2 x BXT AHD - AI Kamera mit 3,4m Kabel und U-Bracket, | ||
BXT AHD Konfigurationsgerät | ||
|---|---|---|
110-765-001 | HS code | ( * ) |
1 x BXT configuration device, | ||
( * ) Geplant
Alle Informationen können ohne vorherige Ankündigung geändert werden.
Das Konfigurationsgerät ist nicht in den AHD-Kits enthalten. Es muss separat bei Arcure erworben werden.













