4.4 Datenblatt Sprachsummer
1. Allgemeine Beschreibung
![]() | ![]() |
Der Blaxtair Voice Buzzer ist ein vokales akustisches Warngerät, das entwickelt wurde, um klare und verständliche Warnungen bei der Fußgängererkennung oder kritischen Ereignissen, die von Blaxtair-Systemen erkannt werden, auszugeben.
Das Modul verfügt über einen USB-Audioeingang, der die Wiedergabe benutzerdefinierter Audiodateien wie Sprachnachrichten, Alarme oder Warnsignale ermöglicht. Seine breite Versorgungsspannung (12–48 VDC), einstellbare Lautstärke und die Schutzart IP68 machen es geeignet für raue Industrieumgebungen.
2. Hauptmerkmale
Merkmal | Beschreibung |
|---|---|
Produkttyp | Sprachsummer mit anpassbarem Audio (USB) |
Versorgungsspannung | 12–48 VDC |
Maximale Lautstärke | Bis zu 90 dB |
Lautstärkeregelung | Manueller Schalter, 4 Positionen |
Audioquelle | USB-Stick |
Schutzart | IP68 |
Industriekompatibilität | Für den Außeneinsatz und mobile Geräte konzipiert |
3. Elektrische Spezifikationen
Parameter | Spezifikation |
|---|---|
Eingangsspannung | 12–48 VDC |
Stromaufnahme | Maximal 0,3 A bei 12 VDC |
Maximalverbrauch | < 0,6 A (abhängig von der Audiodatei) |
Anschluss | Deutsch 6-polig männlich |
Maximalverbrauch
Der Maximalverbrauch kann je nach abgespielter Audiodatei variieren. Dateien mit höherem durchschnittlichem Lautstärkeniveau, längerer Wiedergabedauer oder kontinuierlicher Wiedergabe können einen höheren Verbrauch verursachen als kurze oder intermittierende Töne.
4. Audioeigenschaften
Parameter | Wert |
|---|---|
Frequenzbereich | 500 Hz – 7 kHz |
Audiowiedergabe | Abhängig von der USB-Audiodatei |
Lautstärkeregelung | 4-Positionen-Drehschalter |
Maximaler Schalldruck | Bis zu 90 dB |
5. Mechanische Eigenschaften

La tolerancia debe ser de ± 1 mm, salvo que se especifique lo contrario.
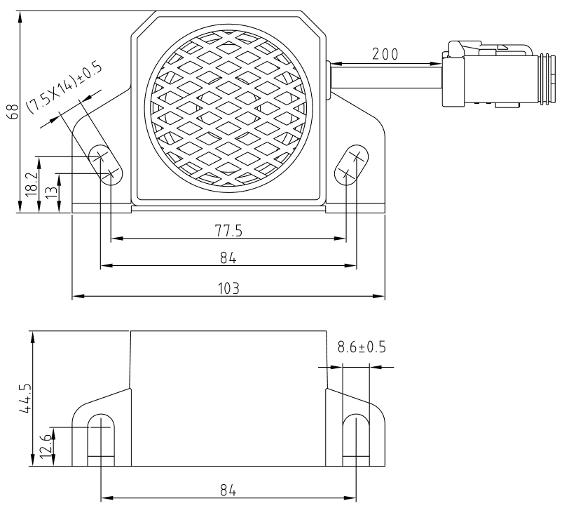
5.1 Hauptabmessungen
Länge: 103 mm
Breite: 84 mm
Höhe: 68 mm
Sockelhöhe: 44,5 mm
5.2 Montage
Bohrungsdurchmesser für Befestigung: Ø 8,6 mm
Horizontaler Abstand der Mittelpunkte: 77,5 mm
5.3 Kabel
Gesamtlänge des Kabels: 200 mm
Anschlusstyp: Deutsch 6-polig männlich
6. Lautstärkeregelung
Schalterposition | Ausgangspegel |
|---|---|
0 | 0 % (Stumm) |
1 | ~25 % |
2 | ~50–75 % |
3 | 100 % (≈ 90 dB) |
7. Verdrahtungsübersicht
Der Voice Buzzer wird über einen Deutsch 6-poligen Anschluss mit Strom versorgt und gesteuert.
Die USB-Verbindung dient zum Laden von Audiodateien über ein spezielles Kabel.
(Siehe Verdrahtungsdiagramm für Pinbelegung.)

8. Kompatible Produkte
BXTO
BXT5
BXT AHD ohne Anzeige
BXT AHD mit Anzeige -> kompatibel, wenn eine Relais-Checkliste verwendet wird
(PN: 199-760-001 (12 V) & 199-760-004 (24 V))
9. Zugehörige Referenzen
Blaxtair Referenz | Beschreibung |
|---|---|
299-210-001 | Voice Buzzer |
105-610-003 | Montagezubehör Schraubensatz |
499-313-002 | Deutsch 6-polig männlich auf blanke Drähte, 3 m |
499-315-001 | Deutsch 6-polig männlich auf USB weiblich, 1 m |
%20-%20Copie.jpg?inst-v=9881e3e8-5b34-456e-a362-0e33e1217394)
%20-%20Copiehnn.jpg?inst-v=9881e3e8-5b34-456e-a362-0e33e1217394)