4.2 Blaxtair AHD MR130-MR260 with waterproof display - Datasheet
Description
![]() BXT AHD AI camera | ![]() BXT AHD GPIO Cable | ![]() BXT AHD Configuration device | ![]() BXT AHD 7” Display - Multi-input (x4) - Split screen feature - Waterproof |
Blaxtair saves lives. The most advanced pedestrian detection solution designed to prevent collisions with machinery. Able at the same time to alert drivers to danger, avoids unnecessary alarms, and helps HSE and site managers control and reduce the risk of accidents. Compact, robust, and easy to install, with unparalleled performance on the market, Blaxtair is the only AI-powered camera capable of accurately detecting and locating pedestrians in real-time, in any posture (standing, crouching, or partially occulted) across the most demanding work environments.
Improves safety, working conditions, and productivity
Avoids unnecessary alerts that tire the driver
Controls and reduces the risks of accidents
Easy to install and to configure thanks to the Blaxtair app

Certifications and approvals
Standards | Type |
Water/dust protection | |
AI Camera | IP6X (Completely dust-tigh) according to NF EN 60529 IPX7 (Protection against temporary immersion in water under pressure) according to ISO 20653 IPX9K (Protection against high-pressure, high-temperature water jets) according to ISO 20653 |
Display | IP66 |
Connector of camera cable, AHD and GPIO cable | IP65 |
AHD and GPIO cable | IP65 |
Climatic teste | |
AI Camera | ISO 16750-4, IEC 60068-2-1, IEC 60068-2-2 |
Vibrations & Shocks | |
AI Camera | ISO 16750-3, IEC 60068-2-64 - Random vibration, IEC 60068-2-27 - Shocks |
Electromagnetic Compatibility | |
AI Camera | EN 61000-6-3:2007+A1:2011+AC:2012 - Electromagnetic compatibility (EMC) - Part 6-3: Generic standards - Emission standard for residential, commercial and light-industrial environments 25/09/2007 EN IEC 61000-6-2:2019 - Electromagnetic compatibility (EMC) - Part 6-2: Generic standards - Immunity standard for industrial environments |
Electrical loads | |
AI Camera | ISO 7637-2, ISO 16750-2 (excluding 5a/5b load dump profiles) |
Object detection systems assistance Earth-moving machinery | ISO 16001 |
Environment | Reach, RoHS |
Marks (*) | CE (Europe), UKCA (Great Britain), FCC ID (USA), IC ID (Canada) |
(*) Planned
Sealing level is ensured under the following conditions
Product housing shall not be opened during its overall life cycle
All screws/connectors shall remain in factory delivery configuration
Sealing caps shall remain on connectors if not connected. Caps not provided.
Technical specifications
Dimensions
AI Camera with protective hood | ||
|---|---|---|
Front view | Side view | Bottom view |
![]() | ![]() | ![]() |
The dimensions are intended solely for commercial use. The illustrations are not at scale.
Dimensions L x W x D [mm] | Weight (g) | |
|---|---|---|
AI Camera | 80,4 x 53,4 x 71,5 mm | 425g |
7” Waterproof Display | 197,2 x 132,0 x 37,4 mm (7.8 x 5.2 x 1.5 in) | 737g |
Housing - AI Camera | |
Camera Housing | Aluminum alloy ADC12 |
Color | Yellow Ral 1003 for protective hood |
Electrical
Rated Voltage | 12-24 VDC nominal For vehicle voltage >24 VDC use a power converter. |
Input voltage | ~12-32 VDC |
Power Consumption | MR130: 25W max @12V | MR260: 36W max @12V Depends on system usage and configuration |
Environmental
Operational and Storage Temperature | |
AI Camera | Operational and storage : -20°C to +70°C (-4 °F to 158 °F) |
7” display | Operational :-20°C to +70°C (-4 °F to 158 °F) Storage : -30°C to +80°C (-22°F to 176°F) |
Detection performance
Detection Latency | Latency < 300 ms According to tests performed in the laboratory (from pedestrian presence in the field of view to discrete output being activated) |
Operational Illumination range | >300 Lux (recommended by standards in working environments such as EN 12464-1) |
Pedestrian detection - Field of view | Diagonal - 152° |
Pedestrian position detected | Standing, Crouched, Occluded/Truncated, Lying *Performance depends on the scene |
Starting duration | ~0s with Fix sleep mode relay option |
Image and Sound performance - 10” display
Resolution | 1024 x 600 px |
Volume maximum | 93 dB |
User connectors
AI Camera and AHD/ GPIO cable connectors | |
|---|---|
![]() AI Camera with camera tail cable | ![]() AHD and GPIO cable |
Cable name | Connector type | Length (mm) | Description | |
Camera Tail Cable | 8pins | 400 mm | Video, sound, data, power, ground | |
AHD / GPIO Cable - AHD part | 8pins | 3 000 mm | Video, sound, power, ground | ![]() |
AHD / GPIO Cable - Input/output part | Wires | 3 000 mm | Ground: black Discrete output x 3: yellow, red, green Discrete input x 1: white |
BXT AHD 7” Display - Multi-input (x4) - Split screen feature - Waterproof | ||||
|---|---|---|---|---|
![]() | ||||
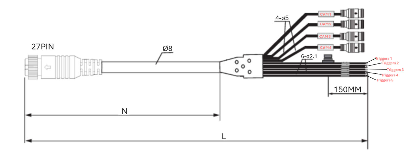
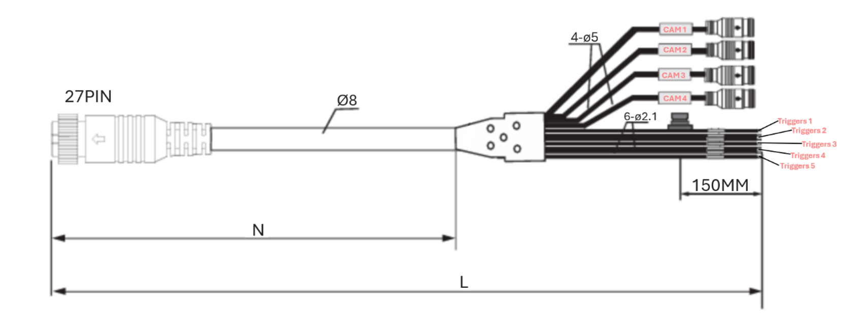
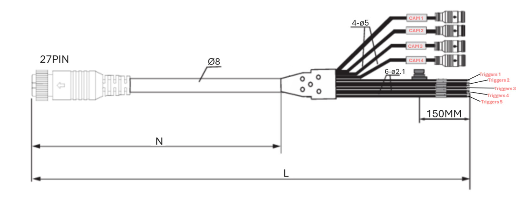
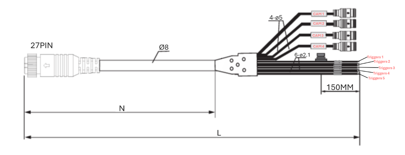
Display Tail Cable | 27pins | 410 mm | Power, cameras input | |
7" display cable extension connectors | ||||
|---|---|---|---|---|
Cable “CAM1” | 8pins | 1800 mm | 1st camera power supply, video signal and sound | ![]() |
Cable “CAM2” | 8pins | 1800 mm | 2nd camera power supply, video signal and sound | |
Cable “CAM3” | 8pins | 1800 mm | Not used | |
Cable “CAM4” | 8pins | 1800 mm | Not used | |
VCC and Ground Wires | no connector | 1800 mm | System power supply | |
Trigger Wires | no connector | 1800 mm | Used to trigger camera on full screen | |
![]() L = 1 800 mm & N = 155 mm | ||||
BXT AHD configuration device and configuration cable | |
|---|---|
Extension split cable to be used for camera configuration and software update. BXT configuration device to be connected to extension cable before launching configuration / software update procedure. | |
![]() | ![]() |
Configuration to be performed using Blaxtair app using a computer or a smart phone. The Blaxtair app allows to connect the BXT AHD configuration device by scanning the QR code on the configurator using the app (or connecting to the Blaxtair WiFi generated by the configuration device).
Miscellaneous
Supported Languages | English, French, German, Spanish |
Diagnostics | Various status conditions are tracked in the internal diagnostic log. Critical fault conditions will also be displayed on the screen. |
Ordering information
BXT Detection system - AHD MR130 with Standard display Multi 7" Waterproof | ||
|---|---|---|
110-950-005 | HS code | 8528.5900 |
1 x BXT AHD - AI camera with 3.4m cable & U-Bracket, | ||
BXT Detection system - AHD MR260 with Standard display Multi 7" Waterproof | ||
|---|---|---|
110-950-006 | HS code | 8528.5900 |
2 x BXT AHD - AI camera with 3.4m cable & U-Bracket, | ||
BXT AHD Configuration device | ||
|---|---|---|
110-765-001 | HS code | ( * ) |
1 x BXT configuration device, | ||
( * ) Planned
All information may change without notice.
Configuration device not provided in the AHD kits. To be purchased separetly from Arcure.












