3.1 Datasheet Shock Detector
Please find the PDF version at this link.
Shock Detector
![]() | ![]() |
|---|
![]() |
|---|
Description
The shock detector is a Blaxtair Solution engineered to enhance vehicular safety and reliability through advanced detection and communication capabilities. This device, interfacing seamlessly with Blaxtair Origin system, utilizes an inertial sensor to detect vehicular impacts or collisions in real-time. Upon shock detection, it autonomously transmits critical data to the "Blaxtair Connect", a feature-rich Internet of Things (IoT) platform, including the shock event details, geographical coordinates of the incident, and visual evidence (photograph). Additionally, it archives a 30-second video segment onto the system's Solid-State Drive (SSD) for further analysis.
The primary objective of this technology is to augment vehicle dependability, provide immediate notification of incidents to stakeholders, and furnish tangible photo and video documentation of potential accident scenarios
Kit Description
The shock detector kit is made of:
Inertial sensor | ![]() |
Main cable | ![]() |
Power supply Y adaptation cable | ![]() |
Sensor magnet support | ![]() |
Not on the kit
Zip tie
Tools (Allen key, wrench, screw driver, crimping tool,...)
Technical specification
Electrical
Rated voltage | 8 to 16 V (dc) |
Fault free voltage | -18... +18V (t<5min) |
Maximum supply current at 7V | 100mA |
Maximum supply current at 14V | 50mA |
Short circuit protection output | 0... 18V |
Electrostatic discharge | Direct contact discharge | ISO 10605: 2008 | +/- 8kV (powered up and unpowered) |
+/- 15kV (powered up and unpowered) | |||
Direct air discharge | IEC 61000-4-2 | +/- 8kV (powered up) | |
+/- 15kV (powered up) |
Signal
Signal output CAN | ISO 11898-2 and ISO 11898-5 |
EMI Filter | 51μH |
Baud Rate | 500 kBaud |
Mechanical
Shock sensor | |
|---|---|
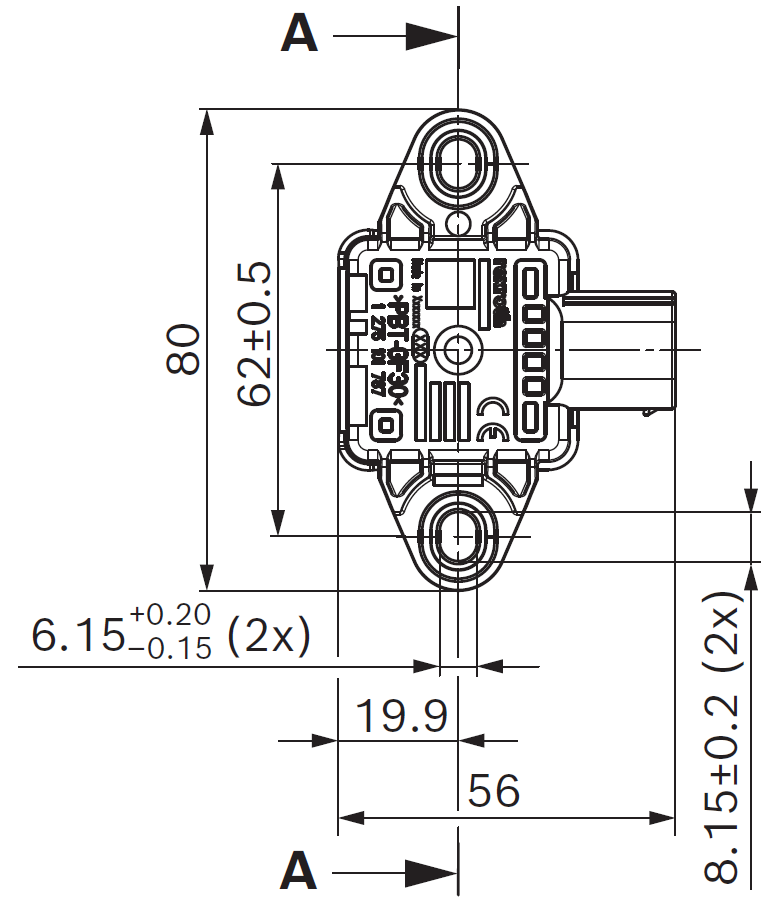
Dimensions (L x W x D) | 80 x 56 x 23.3 mm (3.15 x 2.2 x 0.92 in) |
Weight | 35g |
Support | |
Magnet | 2x 270mm magnet (M4 25mm screws) |
Shock sensor | |
|---|---|
Rear view | Side view |
![]() | ![]() |
Top view | |
![]() | |
Connection/Pinout
Sensor
![]() | ![]() |
Main cable


Old version of the Processing Unit main cable CAN-H and CAN-Low are not yellow and green but both white cables marked all the 100mm with the information "CAN H" or CAN L" in blue
Power supply Y extension cable


Environmental
Water/dust protection | EN 60529 - IP67 (sensor IP6K, IPX9K)* |
Operational Temperature | -40°C to +80°C (-40 °F to 176 °F) |
Storage Temperature | -40°C to +85°C (-40 °F to 185 °F) |
Temperature gradient | 5 K/min |
Certifications and approvals
Standards | Type |
Water/dust protection | EN 60529 - IP67 (sensor IP6K, IPX9K)* |
Environmental requirements and test requirements for earth-moving machiner | DIN EN ISO 19014- 3:2018 |
Electromagnetic Compatibility (EMC) | EN ISO 14982:2009, EN 12895:2015, ISO 13766-1:2018, ISO 13766-2:2018 |
Electrostatic discharge (ESD) | ISO 10605: 2008 |
CAN signal | ISO 11898-2 and ISO 11898-5 |
Hazardous substances | RoHS directive 2011/65/EU & REACH |
*: the cable is IP67 so totally dustproof and protected against immersion for 30 min up to 1 m depth. Only the sensor is protected against the effects of high pressure water jets IP6K, IPX9K
Region | Regulatory compliance/quality marks |
Europe | CE |
UK | CE* |
Installation / configuration notes
Refer to the dedicated articles:
Features summary
To have a precise view of the feature please refer to 4.2.1 SHOCK DETECTOR features. Globaly the shock detector system allows:
For each shock:
Data are sent to the connect platform (shock event, localization, shock on horizontal or vertical plan, level of the shock, level of the threshold)
Snapshot (=image) is sent to the connect
30sec video is recorded on the SSD of the processing unit
Optional (configurable):
The screen display for the driver a "red frame" and a "shock icon"
Enable an output to 12V
Ordering information
BXTO Shock Detector | |||
|---|---|---|---|
100-220-001 | HS code 90319000 | ![]() | |
Blaxtair Origin shock detector kit | |||












