4.2 Blaxtair AHD MR130-MR260 con pantalla estanca - Fichas técnicas
Descripción
![]() | ![]() | ![]() | ![]() |
Blaxtair salva vidas. La solución más avanzada de detección de peatones diseñada para evitar colisiones con maquinaria. Capaz al mismo tiempo de alertar a los conductores del peligro, evita alarmas innecesarias y ayuda a los responsables de HSE y de la obra a controlar y reducir el riesgo de accidentes. Compacta, robusta y fácil de instalar, con un rendimiento sin precedentes en el mercado, Blaxtair es la única cámara con IA capaz de detectar y localizar con precisión a los peatones en tiempo real, en cualquier postura (de pie, agachada o parcialmente oculta) en los entornos de trabajo más exigentes.
Mejora la seguridad, las condiciones de trabajo y la productividad
Evita alertas innecesarias que cansan al conductor
Controla y reduce los riesgos de accidente
Fácil de instalar y configurar gracias a la app Blaxtair

Certificaciones
Normas | Tipo |
Protección contra el agua y el polvo | |
Cámara AI | IP6X (totalmente hermético al polvo) según NF EN 60529 IPX7 (protección contra la inmersión temporal en agua a presión) según ISO 20653 IPX9K (protección contra chorros de agua a alta presión y alta temperatura) según ISO 20653 |
Pantalla | IP66 |
Conector del cable de la cámara, AHD y cable GPIO | IP65 |
Cable AHD y GPIO | IP65 |
Prueba climática | |
Cámara AI | ISO 16750-4, IEC 60068-2-1, IEC 60068-2-2 |
Vibraciones y choques | |
Cámara AI | ISO 16750-3, IEC 60068-2-64 - Vibraciones aleatorias, IEC 60068-2-27 - Choques |
Compatibilidad electromagnética | |
Cámara AI | EN 61000-6-3:2007+A1:2011+AC:2012 Compatibilidad electromagnética (CEM) - Parte 6-3: Normas genéricas - Norma de emisión en entornos residenciales, comerciales y de industria ligera 25/09/2007 EN IEC 61000-6-2:2019 - Compatibilidad electromagnética (CEM) - Parte 6-2: Normas genéricas - Norma de inmunidad en entornos industriales |
Cargas eléctricas | |
Cámara AI | ISO 7637-2, ISO 16750-2 (excluidos los perfiles de descarga de carga 5a/5b) |
Asistencia a los sistemas de detección de objetos Maquinaria de movimiento de tierras | ISO 16001 |
Medio ambiente | Reach, RoHS |
Marcas(*) | CE (Europa), UKCA (Gran Bretaña), FCC ID (EE.UU.), IC ID (Canadá) |
(*) Planificado
El nivel de sellado se garantiza en las siguientes condiciones
La carcasa del producto no se abrirá durante todo su ciclo de vida.
Todos los tornillos/conectores deberán permanecer en la configuración de entrega de fábrica
Los tapones de sellado permanecerán en los conectores si no están conectados. No se suministran tapones.
Especificaciones técnicas
Dimensiones
Cámara AI con capucha protectora | ||
|---|---|---|
Vista frontal | Vista lateral | Vista inferior |
![]() | ![]() | ![]() |
Las dimensiones están destinadas exclusivamente a uso comercial. Las ilustraciones no están a escala.
Dimensiones L x A x P [mm] | Peso (g) | |
|---|---|---|
Cámara AI | 80,4 x 53,4 x 71,5 mm | 425g (sin capucha protectora) |
Pantalla impermeable de 7 | 197,2 x 132,0 x 37,4 mm (7.8 x 5.2 x 1.5 in) | 737g |
Carcasa - Cámara AI | |
Carcasa de la cámara | Aleación de aluminio ADC12 |
Color | Amarillo Ral 1003 para capucha protectora |
Eléctrico
Tensión nominal | 12-24 VDC nominal Para una tensión de vehículo >24 VDC utilice un convertidor de potencia. |
Tensión de entrada | ~12-32 VDC |
Consumo de energía | MR130: 25W max @12V | MR260: 36W max @12V Depende del uso y la configuración del sistema |
Environmental
Temperatura de funcionamiento y almacenamiento | |
Cámara AI | Funcionamiento y almacenamiento : -20°C a +70°C (-4 °F a 158 °F) |
Pantalla de 7 | Funcionamiento :-20°C a +70°C (-4 °F a 158 °F) Almacenamiento : -30°C a +80°C (-22°F a 176°F) |
Detection performance
Latencia de detección | Latencia < 300 ms Según las pruebas realizadas en el laboratorio (desde la presencia del peatón en el campo de visión hasta la activación de la salida discreta) |
Rango de iluminación operativa | >300 Lux (recomendado por normas en entornos de trabajo como la EN 12464-1) |
Detección de peatones - Campo de visión | Diagonal - 152° |
Posición del peatón detectada | De pie, Agachado, Ocluido/Truncado, Tumbado *El rendimiento depende de la escena |
Duración inicial | ~0s con opción de relé de modo de reposo Fix |
Rendimiento de imagen y sonido - Pantalla de 7
Resolución | 1024 x 600 px |
Volumen máximo | 93 dB |
Conectores de usuario
Cámara AI y conectores de cable AHD/ GPIO | |
|---|---|
![]() | ![]() |
Nombre del cable | Tipo de conector | Longitud (mm) | Descripción | |
Câble de queue de caméra | 8pins | 400 mm | Vídeo, sonido, Datos, Alimentación, Tierra | |
AHD / GPIO Cable - AHD parte | 8pins | 3 000 mm | Vídeo, Sonido, Alimentación, Tierra | ![]() |
Cable AHD / GPIO - Pieza de entrada/salida | Cables | 3 000 mm | Tierra: negro Salida discreta x 3: amarillo, rojo, verde Entrada discreta x 1: blanco |
BXT AHD Pantalla de 7" - Multientrada (x4) - Función de pantalla dividida - Resistente al agua | |||
|---|---|---|---|
![]() | |||
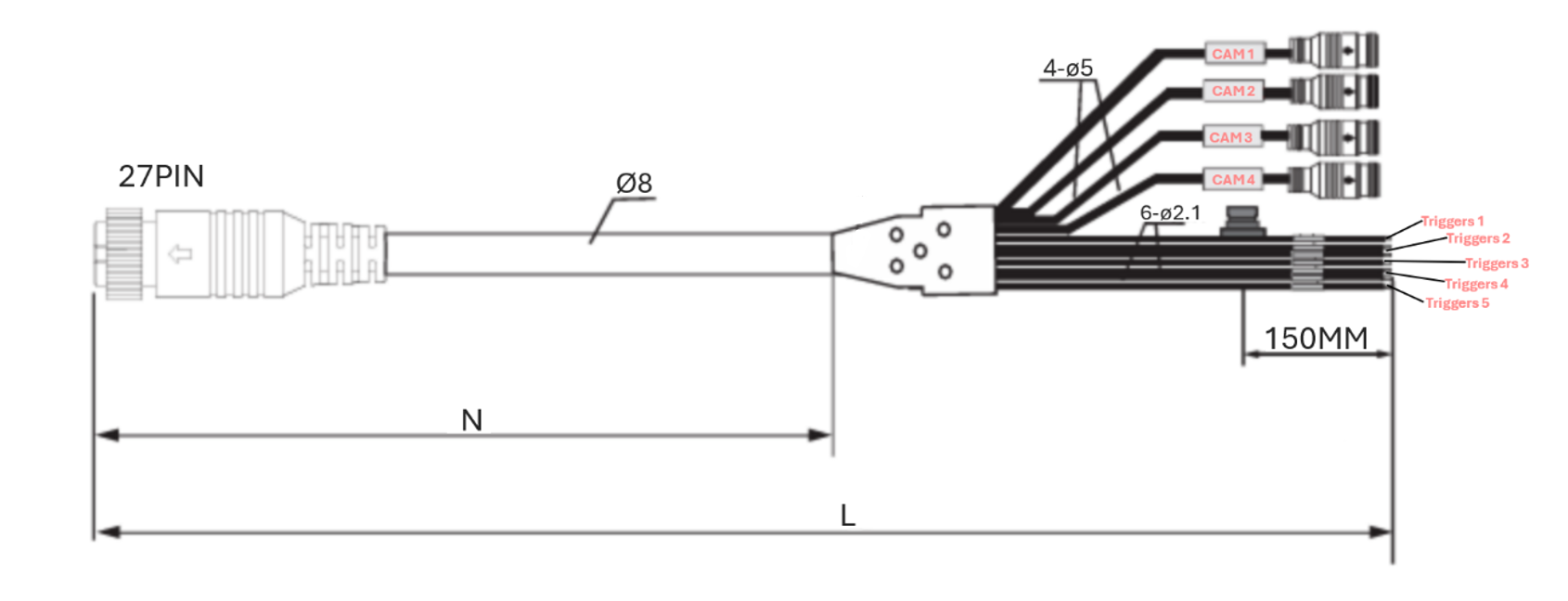
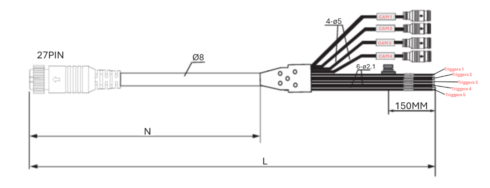
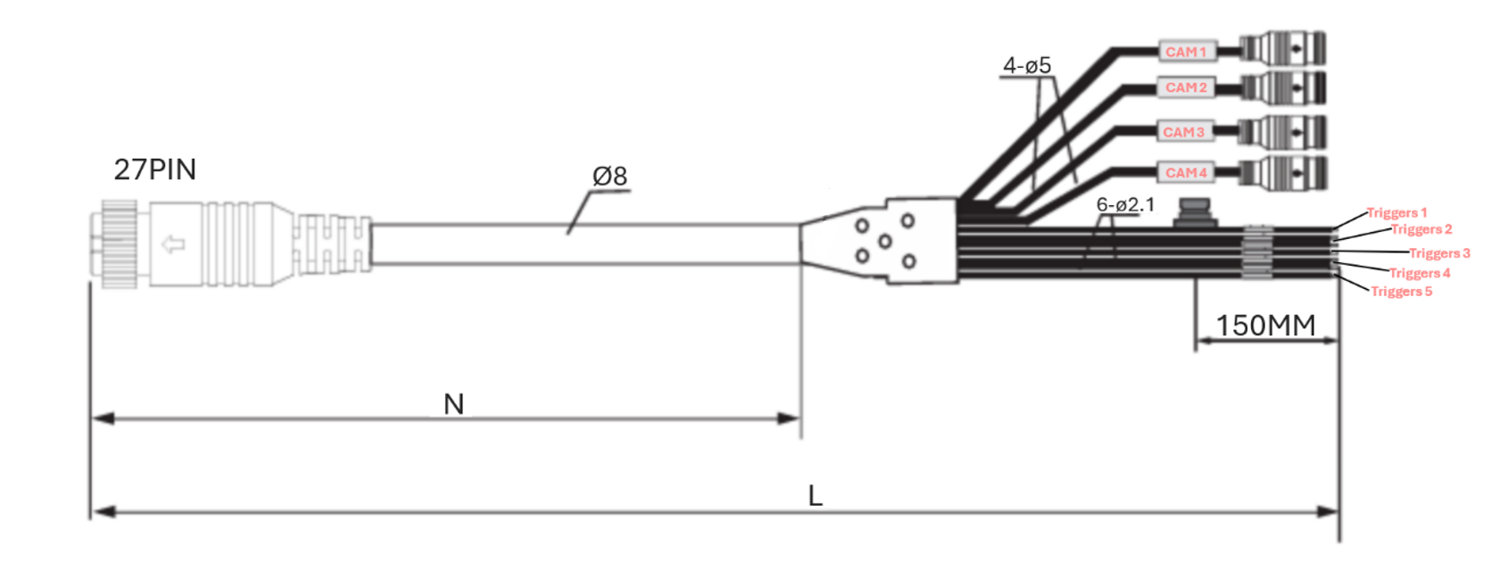
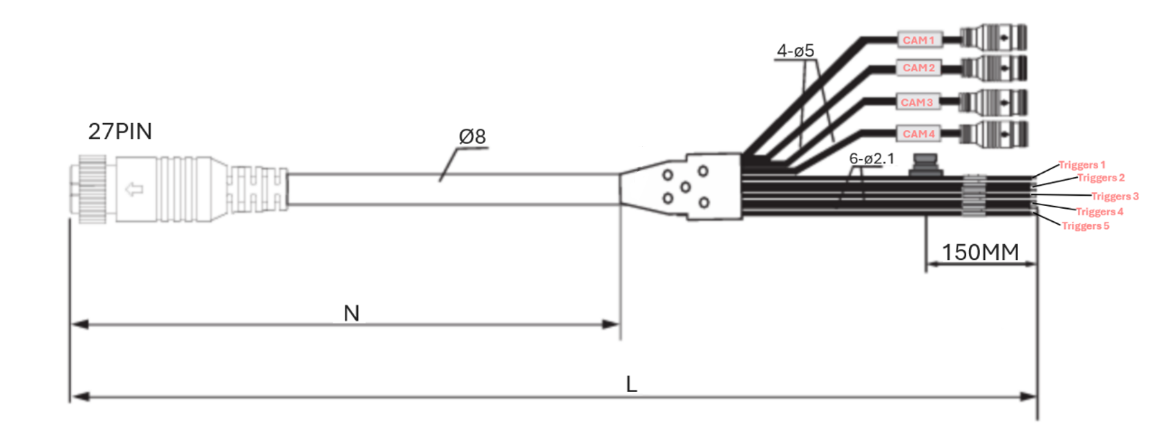
Cable de cola de la pantalla | 27pins | 410 mm | Alimentación, entrada de cámaras |
Conectores de extensión del cable de pantalla de 7 | ||||
|---|---|---|---|---|
Cable “CAM1” | 8pins | 1800 mm | Alimentación , señal de vídeo y sonido de la 1ª cámara | ![]() |
Cable “CAM2” | 8pins | 1800 mm | Alimentación, señal de vídeo y sonido de la 2ª cámara | |
Cable “CAM3” | 8pins | 1800 mm | No se utiliza | |
Cable “CAM4” | 8pins | 1800 mm | No se utiliza | |
Cables VCC y masa | sin conector | 1800 mm | Alimentación del sistema | |
Cables de activación | sin conector | 1800 mm | Se utiliza para activar la cámara a pantalla completa | |
![]() L = 1 800 mm & N = 155 mm | ||||
Dispositivo de configuración BXT AHD y cable de configuración | |
|---|---|
Cable de extensión dividido que se utilizará para la configuración de la cámara y la actualización del software. El dispositivo de configuración BXT debe conectarse al cable de extensión antes de iniciar el procedimiento de configuración/actualización del software. | |
![]() | ![]() |
La configuración se realiza mediante la aplicación Blaxtair a través de un ordenador o un smartphone. La app Blaxtair permite conectar el dispositivo de configuración BXT AHD escaneando el código QR del configurador mediante la app (o conectándose al WiFi Blaxtair generado por el dispositivo de configuración).
Varios
Idiomas admitidos | Inglés, Francés, Alemán, Español |
Diagnóstico | En el registro de diagnóstico interno se registran diversos estados. Las condiciones críticas de fallo también se mostrarán en la pantalla. |
Información para pedidos
Sistema de detección BXT - AHD MR130 con pantalla estándar Multi 7" estanca | ||
|---|---|---|
110-950-005 | HS code | 8528.5900 |
1 x BXT AHD - Cámara AI con cable de 3,4 m y soporte en U, | ||
Sistema de detección BXT - AHD MR260 con pantalla estándar Multi 7" estanca | ||
|---|---|---|
110-950-006 | HS code | 8528.5900 |
2 x BXT AHD - Cámara AI con cable de 3,4 m y soporte en U, | ||
BXT AHD Dispositivo de configuración | ||
|---|---|---|
110-765-001 | HS code | ( * ) |
1 x Dispositivo de configuración BXT, | ||
( * ) Planificado
Toda la información puede cambiar sin previo aviso.
Dispositivo de configuración no incluido en los kits AHD. Debe adquirirse por separado en Arcure.












