4.4 Ficha técnica Zumbador de voz
1. Descripción General
![]() | ![]() |
El Blaxtair Voice Buzzer es un dispositivo de advertencia acústica vocal diseñado para emitir alertas claras e inteligibles durante la detección de peatones o eventos críticos detectados por los sistemas Blaxtair.
El módulo cuenta con una entrada de audio USB, que permite la reproducción de archivos de audio personalizados como mensajes de voz, alarmas o sonidos de advertencia. Su amplio rango de voltaje de alimentación (12–48 VDC), nivel de sonido ajustable y la clasificación de protección IP68 lo hacen adecuado para entornos industriales exigentes.
2. Características Clave
Característica | Descripción |
|---|---|
Tipo de producto | Zumbador vocal con audio personalizable (USB) |
Voltaje de alimentación | 12–48 VDC |
Nivel máximo de sonido | Hasta 90 dB |
Ajuste de volumen | Selector manual, 4 posiciones |
Fuente de audio | Unidad flash USB |
Clasificación de protección | IP68 |
Compatibilidad industrial | Diseñado para equipos móviles y exteriores |
3. Especificaciones Eléctricas
Parámetro | Especificación |
|---|---|
Voltaje de entrada | 12–48 VDC |
Consumo de corriente | 0.3 A máx @ 12 VDC |
Consumo máximo | < 0.6 A (depende del archivo de audio) |
Conector | Deutsch macho de 6 pines |
Consumo máximo
El consumo máximo puede variar según el archivo de audio reproducido. Archivos con un nivel de sonido medio más alto, mayor duración de reproducción o reproducción continua pueden generar un consumo mayor que sonidos cortos o intermitentes.
4. Características de Audio
Parámetro | Valor |
|---|---|
Rango de frecuencia | 500 Hz – 7 kHz |
Reproducción de audio | Depende del archivo de audio USB |
Control de volumen | Selector giratorio de 4 posiciones |
Presión sonora máxima | Hasta 90 dB |
5. Características Mecánicas

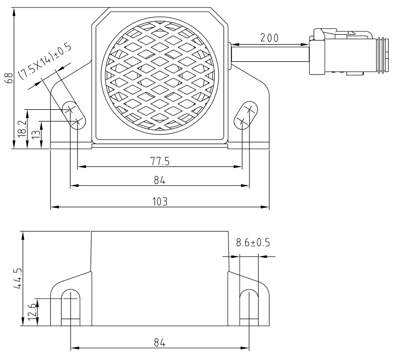
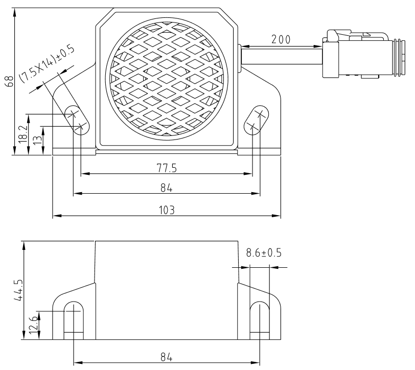
La tolerancia debe ser de ± 1 mm, salvo que se especifique lo contrario.
5.1 Dimensiones Principales
Longitud: 103 mm
Ancho: 84 mm
Altura: 68 mm
Altura de la base: 44.5 mm
5.2 Montaje
Diámetro de los orificios de montaje: Ø 8.6 mm
Distancia horizontal entre centros: 77.5 mm
5.3 Cable
Longitud total del cable: 200 mm
Tipo de conector: Deutsch macho de 6 pines
6. Ajuste de Volumen
Posición del selector | Nivel de salida |
|---|---|
0 | 0 % (silencio) |
1 | ~25 % |
2 | ~50–75 % |
3 | 100 % (≈ 90 dB) |
7. Resumen del Cableado
El Voice Buzzer se alimenta y controla a través de un conector Deutsch de 6 pines.
La conectividad USB se proporciona para la carga de archivos de audio mediante un cable dedicado.
(Consulte el diagrama de cableado para la asignación de pines.)

8. Productos compatibles
BXTO
BXT5
BXT AHD sin pantalla
BXT AHD con pantalla -> Compatible si se utiliza una lista de comprobación de relés
(PN: 199-760-001 (12V) y 199-760-004 (24V)).
9. Referencias Asociadas
Referencia Blaxtair | Descripción |
|---|---|
299-210-001 | Voice Buzzer |
105-610-003 | Kit de tornillos para hardware de montaje |
499-313-002 | Conector Deutsch macho de 6 pines a cables pelados, 3 m |
499-315-001 | Conector Deutsch macho de 6 pines a USB hembra, 1 m |
%20-%20Copie.jpg?inst-v=9881e3e8-5b34-456e-a362-0e33e1217394)
%20-%20Copiehnn.jpg?inst-v=9881e3e8-5b34-456e-a362-0e33e1217394)