4.2 Blaxtair AHD MR130-MR260 avec écran étanche - Fiches techniques
Description
![]() BXT AHD caméra IA | ![]() BXT AHD Câble GPIO | ![]() BXT AHD Dispositif de configuration | ![]() Écran BXT AHD 7" - Multi-entrées (x4) - Fonctionnalité d'écran partagé - Étanche |
Blaxtair sauve des vies. Il s'agit de la solution de détection des piétons la plus avancée, conçue pour éviter les collisions avec les machines. Capable d'alerter les conducteurs en cas de danger, elle évite les alarmes inutiles et aide les responsables HSE et les chefs de chantier à contrôler et à réduire les risques d'accident. Compacte, robuste et facile à installer, avec des performances inégalées sur le marché, Blaxtair est la seule caméra alimentée par l'IA capable de détecter et de localiser avec précision les piétons en temps réel, dans n'importe quelle posture (debout, accroupie ou partiellement occultée) dans les environnements de travail les plus exigeants.
Améliore la sécurité, les conditions de travail et la productivité
Évite les alertes inutiles qui fatiguent le conducteur
Contrôle et réduit les risques d'accident
Facile à installer et à configurer grâce à l'application Blaxtair

Certifications
Standards | Type |
Protection contre l'eau et la poussière | |
Caméra IA | IP6X (étanche à la poussière) selon la norme NF EN 60529 IPX7 (protection contre l'immersion temporaire dans l'eau sous pression) selon la norme ISO 20653 IPX9K (protection contre les jets d'eau à haute pression et haute température) selon la norme ISO 20653 |
Display | IP66 |
Connecteur du câble de la caméra, du câble AHD et du câble GPIO | IP65 |
Câble AHD et GPIO | IP65 |
Test climatique | |
Caméra IA | ISO 16750-4, IEC 60068-2-1, IEC 60068-2-2 |
Vibrations et amortisseurs | |
Caméra IA | ISO 16750-3, IEC 60068-2-64 - Vibrations aléatoires, IEC 60068-2-27 - Shocks |
Compatibilité électromagnétique | |
Caméra IA | EN 61000-6-3:2007+A1:2011+AC:2012 - Electromagnetic compatibility (EMC) - Part 6-3: Normes génériques - Normes d'émission pour les environnements résidentiels, commerciaux et de l'industrie légère 25/09/2007 EN IEC 61000-6-2:2019 - Electromagnetic compatibility (EMC) - Part 6-2: Normes génériques - Norme d'immunité pour les environnements industriels |
Charges électriques | |
Caméra IA | ISO 7637-2, ISO 16750-2 (excluding 5a/ 5b load dump profiles) |
Assistance aux systèmes de détection d'objets Engins de terrassement | ISO 16001 |
Environnement | Reach, RoHS |
Marques(*) | CE (Europe), UKCA (Great Britain), FCC ID (USA), IC ID (Canada) |
(*) Prévu
Le niveau d'étanchéité est assuré dans les conditions suivantes
Le boîtier du produit ne doit pas être ouvert au cours de son cycle de vie.
Toutes les vis et tous les connecteurs doivent rester dans la configuration de la livraison d'usine.
Les capuchons d'étanchéité doivent rester sur les connecteurs s'ils ne sont pas connectés. Les capuchons ne sont pas fournis.
Spécifications techniques
Dimensions
Caméra AI avec capot de protection | ||
|---|---|---|
Vue de face | Vue de côté | Vue du bas |
![]() | ![]() | ![]() |
Les dimensions sont destinées uniquement à un usage commercial. Les illustrations ne sont pas à l'échelle.
Dimensions L x W x D [mm] (inch) | Poids (g) | |
|---|---|---|
Caméra AI (sans capot de protection) | 80,4 x 53,4 x 71,5 mm (3.2 x 2.1 x 2.8 in) | 425g (sans capot de protection) |
Écran mono-entrée de 7 pouces | 194 x 127 x 40 mm (7.5 x 4.7 x 1.5 in) | 735g |
Boîtier - Caméra AI | |
Boîtier de caméra | Alliage d'aluminium ADC12 |
Couleur | Jaune Ral 1003 pour capot de protection |
Électricité
Tension nominale | 12-24 VDC nominal Pour une tension du véhicule >24 VDC, utiliser un convertisseur de puissance. |
Tension d'entrée | ~12-32 VDC |
Consommation électrique | MR130: 31W max @12V | MR260: 36W max @12V Dépend de l'utilisation et de la configuration du système |
Environnement
Température de fonctionnement et de stockage | |
Caméra IA | Opérationnel et stockage : -20°C à+70°C (-4 °F à158 °F) |
Écran mono-entrée de 7 pouces ( * ) | Opérationnel :-20°C à+70°C (-4 °F à158 °F) Stockage : -30°C à+80°C (-22°F à176°F) |
( * ) Prévu
Performance de détection
Temps de latence de la détection | Temps de latence < 300 ms Selon les tests effectués en laboratoire (de la présence du piéton dans le champ de vision jusqu'à l'activation de la sortie discrète |
Gamme d'éclairage opérationnel | 300 Lux (recommandé pour de meilleures performances) De 100 Lux à 80000 Lux |
Détection des piétons - Champ de vision | Diagonale- 152° |
Position du piéton détectée | Debout, accroupi, occlus/tronqué, couché *Les performances dépendent de la scène |
Durée de démarrage | ~0s avec option de relais en mode veille fixe |
Performance de l'image et du son - écran de 7 pouces
Résolution | 1024 x 600 px |
Volume maximum | 93 dB |
Connecteurs
Connecteurs des câbles de la caméra AI et de l'AHD/GPIO | |
|---|---|
![]() Caméra AI avec câble de queue de caméra | ![]() Câble AHD et GPIO |
Nom du câble | Type de connecteur | Longueur (mm) | Description | |
Câble de queue de caméra | 8pins | 400 mm | Vidéo, son, données, alimentation, terre | |
AHD / GPIO Cable - AHD part | 8pins | 3 000 mm | Vidéo, son, alimentation, terre | ![]() |
AHD / GPIO Cable - Partie entrée/sortie | Fils | 3 000 mm | Masse : noir Sortie discrète x 3 : jaune, rouge, vert Entrée discrète x 1 : blanc |
Écran BXT AHD 7" - Multi-entrées (x4) - Fonctionnalité d'écran partagé - Étanche | |||
|---|---|---|---|
![]() | |||
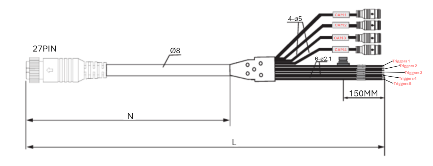
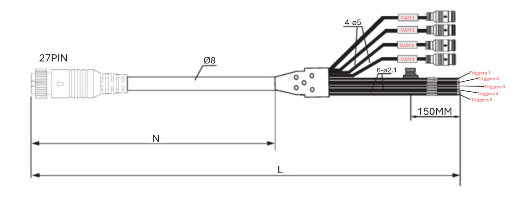
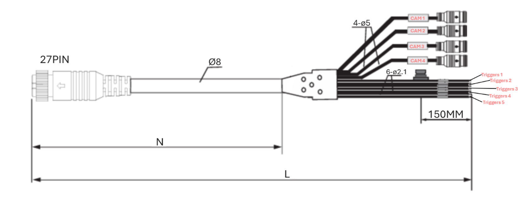
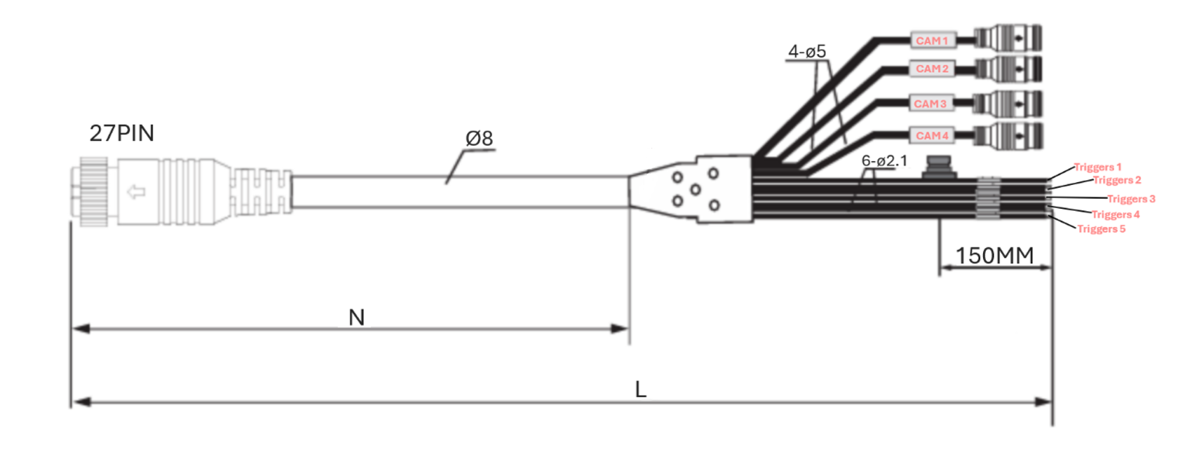
Câble de queue d'affichage | 27pins | 320 mm | Alimentation, entrée caméras |
Connecteurs d'extension du câble d'affichage 7" | ||||
|---|---|---|---|---|
Câble “CAM1” | 8pins | 1800 mm | 1ère alimentation de la caméra, signal vidéo et son | ![]() |
Câble “CAM2” | 8pins | 1800 mm | 2ème alimentation de la caméra, signal vidéo et son | |
Câble “CAM3” | 8pins | 1800 mm | Non utilisé | |
Câble “CAM4” | 8pins | 1800 mm | Non utilisé | |
Fils de VCC et de terre | pas de connecteur | 1800 mm | Alimentation du système | |
Fils de déclenchement | pas de connecteur | 1800 mm | Utilisé pour déclencher la caméra en plein écran | |
![]() L = 1 800 mm & N = 155 mm | ||||
Dispositif de configuration BXT AHD et câble de configuration | |
|---|---|
Câble d'extension divisé à utiliser pour la configuration de la caméra et la mise à jour du logiciel. Le dispositif de configuration BXT doit être connecté au câble d'extension avant de lancer la procédure de configuration/mise à jour du logiciel. | |
![]() | ![]() |
Configuration à effectuer à l'aide de l'application Blaxtair à partir d'un ordinateur ou d'un téléphone intelligent. L'application Blaxtair permet de connecter le dispositif de configuration BXT AHD en scannant le code QR sur le configurateur à l'aide de l'application (ou en se connectant au WiFi Blaxtair généré par le dispositif de configuration).
Divers
Langues prises en charge | Anglais, Français, Allemand, Espagnol |
Diagnostics | Les différents états sont suivis dans le journal de diagnostic interne. Les conditions d'erreur critiques sont également affichées à l'écran. |
Informations pour la commande
Système de détection BXT - AHD MR130 avec écran standard de 7 pouces | ||
|---|---|---|
110-950-001 | HS code | 8528.5900 |
1 x BXT AHD - Caméra AI avec câble de 3,4 m et support en U, | ||
Système de détection BXT - AHD MR260 avec écran standard Multi 7" Etanche | ||
|---|---|---|
110-950-006 | HS code | 8528.5900 |
2 x BXT AHD - Caméra AI avec câble de 3,4 m et support en U, | ||
BXT AHD Dispositif de configuration | ||
|---|---|---|
110-765-001 | HS code | 8528.5900 |
1 x Dispositif de configuration BXT, | ||
Toutes les informations peuvent être modifiées sans préavis.
Dispositif de configuration non fourni dans les kits AHD. A acheter séparément auprès d'Arcure.













