4.3 Fiches techniques Détecteur de chocs
Veuillez trouver la version PDF sur ce lien
Détecteur de chocs
![]() | ![]() |
|---|
![]() |
|---|
Description
Le détecteur de chocs est une solution Blaxtair conçue pour améliorer la sécurité et la fiabilité des véhicules grâce à des capacités avancées de détection et de communication. Cet appareil, s'intégrant parfaitement au système Blaxtair Origin, utilise un capteur inertiel pour détecter en temps réel les impacts ou collisions impliquant le véhicule. Lorsqu'un choc est détecté, il transmet de manière autonome des données critiques à la plateforme "Blaxtair Connect", une solution Internet des objets (IoT) riche en fonctionnalités, incluant les détails de l'incident, les coordonnées géographiques de l'événement et une preuve visuelle (photographie). De plus, il archive un segment vidéo de 30 secondes sur le disque SSD du système pour une analyse approfondie.
L'objectif principal de cette technologie est d'augmenter la fiabilité des véhicules, de fournir une notification immédiate des incidents aux parties concernées et d’offrir des documents photo et vidéo tangibles sur les scénarios potentiels d'accident.
Description du kit
Le kit du détecteur de chocs comprend :
Capteur inertiel | ![]() |
Câble principal | ![]() |
Câble d'adaptation d'alimentation en Y | ![]() |
Support magnétique du capteur | ![]() |
Non inclus dans le kit
Collier de serrage
Outils (clé Allen, clé, tournevis, pince à sertir, ...)
Spécification technique
Electrique
Tension nominale | 8 to 16 V (dc) |
Tension sans défaut | -18... +18V (t<5min) |
Courant d'alimentation maximal à 7V | 100mA |
Courant d'alimentation maximal à 14V | 50mA |
Protection contre les courts-circuits en sortie | 0... 18V |
Décharge électrostatique | Décharge par contact direct | ISO 10605: 2008 | +/- 8kV (sous tension et hors tension) |
+/- 15kV (sous tension et hors tension) | |||
Décharge par air direct | IEC 61000-4-2 | +/- 8kV (sous tension) | |
+/- 15kV (sous tension) |
Signal
Sortie de signal CAN | ISO 11898-2 et ISO 11898-5 |
Filtre EMI | 51μH |
Débit en bauds | 500 kBaud |
Mechanique
Capteur de chocs | |
|---|---|
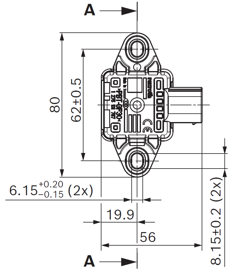
Dimensions (L x l x P) | 80 x 56 x 23.3 mm (3.15 x 2.2 x 0.92 in) |
Poids | 35g |
Support | |
Aimant | 2x aimants de 270 mm (vis M4 de 25 mm) |
Capteur de chocs | |
|---|---|
Vue arrière | Vue latérale |
![]() | ![]() |
Vue de dessus | |
![]() | |
Connexion/Broche
Capteur
Capteur | ![]() |
![]() |
Câble principal
Câble principal du détecteur de chocs (3 mètres) | ![]() |
![]() |
L'ancienne version du câble principal de l'unité de traitement a des câbles CAN-H et CAN-Low qui ne sont pas jaunes et verts, mais deux câbles blancs marqués tous les 100 mm avec l'indication "CAN H" ou "CAN L" en bleu.
Câble d'extension en Y pour l'alimentation
Câble d'extension d'alimentation pour le détecteur de chocs (300 mm) | ![]() |
![]() |
Environnemental
Protection contre l'eau/poussière | EN 60529 - IP67 (capteur IP6K, IPX9K)* |
Température de fonctionnement | -40°C à +80°C (-40 °F à 176 °F) |
Température de stockage | -40°C à +85°C (-40 °F à 185 °F) |
Gradient de température | 5 K/min |
Certifications et homologations
Normes | Type |
Protection contre l'eau/poussière | EN 60529 - IP67 (capteur IP6K, IPX9K)* |
Exigences environnementales et exigences de test pour les engins de chantier | DIN EN ISO 19014- 3:2018 |
Compatibilité électromagnétique (CEM) | EN ISO 14982:2009, EN 12895:2015, ISO 13766-1:2018, ISO 13766-2:2018 |
Décharge électrostatique (ESD) | ISO 10605: 2008 |
Signal CAN | ISO 11898-2 and ISO 11898-5 |
Substances dangereuses | RoHS directive 2011/65/EU & REACH |
: le câble est IP67, donc totalement étanche à la poussière et protégé contre l'immersion pendant 30 minutes jusqu'à une profondeur de 1 m. Seul le capteur est protégé contre les effets des jets d'eau à haute pression (IP6K, IPX9K).
Region | Conformité réglementaire / Marquages de qualité |
Europe | CE |
UK | CE* |
Notes d'installation / configuration
Reportez-vous aux articles dédiés :
Résumé des fonctionnalités
Pour une vue détaillée de la fonctionnalité, consultez la section 4.2.1 chocs DETECTOR features. Globalement, le système de détecteur de chocs permet :
Pour chaque choc :
Les données sont envoyées à la plateforme connect (événement de choc, localisation, choc sur le plan horizontal ou vertical, niveau du choc, niveau du seuil).
Une capture d'écran (=image) est envoyée à Connect.
Une vidéo de 30 secondes est enregistrée sur le SSD de l'unité de traitement.
Options (configurables) :
L'écran affiche pour le conducteur un "cadre rouge" et une "icône de choc".
Activation d'une sortie à 12V.
Informations de commande
Détecteur de chocs BXTO | ||
|---|---|---|
100-220-001 | HS code 90319000 | ![]() |
Kit de détecteur de chocs Blaxtair Origin | ||
















