4.4 Fiche technique Buzzer vocal
1. Description Générale
![]() | ![]() |
Le Blaxtair Voice Buzzer est un dispositif d'alerte acoustique vocale conçu pour délivrer des alertes claires et intelligibles lors de la détection de piétons ou d'événements critiques détectés par les systèmes Blaxtair.
Le module dispose d'une entrée audio USB, permettant la lecture de fichiers audio personnalisés tels que des messages vocaux, des alarmes ou des sons d'avertissement. Sa large plage de tension d'alimentation (12–48 VDC), son niveau sonore réglable et sa protection IP68 le rendent adaptés aux environnements industriels difficiles.
2. Caractéristiques Clés
Caractéristique | Description |
|---|---|
Type de produit | Buzzer vocal avec audio personnalisable (USB) |
Tension d'alimentation | 12–48 VDC |
Niveau sonore maximal | Jusqu'à 90 dB |
Réglage du volume | Sélecteur manuel, 4 positions |
Source audio | Clé USB |
Indice de protection | IP68 |
Compatibilité industrielle | Conçu pour les équipements extérieurs et mobiles |
3. Spécifications Électriques
Paramètre | Spécification |
|---|---|
Tension d'entrée | 12–48 VDC |
Consommation de courant | 0,3 A max @ 12 VDC |
Consommation maximale | < 0,6 A (selon le fichier audio) |
Connecteur | Deutsch 6 broches mâle |
Consommation maximale
La consommation maximale peut varier en fonction du fichier audio lu. Des fichiers avec un niveau sonore moyen plus élevé, une durée de lecture plus longue ou une lecture continue peuvent entraîner une consommation supérieure à celle de sons courts ou intermittents.
4. Caractéristiques Audio
Paramètre | Valeur |
|---|---|
Plage de fréquences | 500 Hz – 7 kHz |
Lecture audio | Dépend du fichier audio USB |
Contrôle du volume | Sélecteur rotatif à 4 positions |
Pression acoustique maximale | Jusqu'à 90 dB |
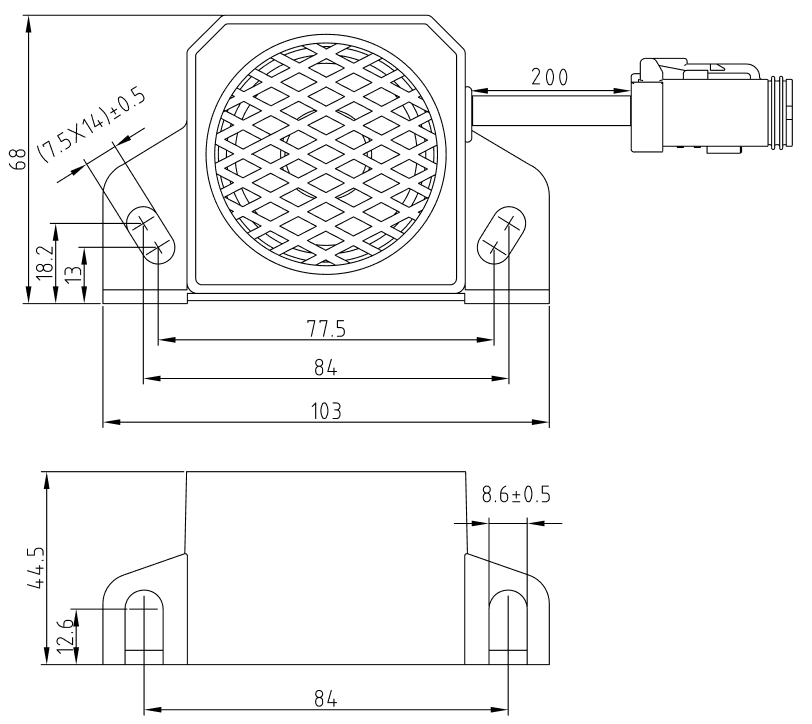
5. Caractéristiques Mécaniques

La tolérance doit être de ± 1 mm, sauf indication contraire.
5.1 Dimensions Principales
Longueur : 103 mm
Largeur : 84 mm
Hauteur : 68 mm
Hauteur de base : 44,5 mm
5.2 Montage
Diamètre des trous de montage : Ø 8,6 mm
Distance centrale horizontale : 77,5 mm
5.3 Câble
Longueur totale du câble : 200 mm
Type de connecteur : Deutsch 6 broches mâle
6. Réglage du Volume
Position du sélecteur | Niveau de sortie |
|---|---|
0 | 0 % (muet) |
1 | ~25 % |
2 | ~50–75 % |
3 | 100 % (≈ 90 dB) |
7. Aperçu du Câblage
Le Voice Buzzer est alimenté et contrôlé via un connecteur Deutsch 6 broches.
La connectivité USB est fournie pour le chargement des fichiers audio via un câble dédié.
(Voir le schéma de câblage pour l'affectation des broches.)

8. Produits compatibles
BXTO
BXT5
BXT AHD sans écran
BXT AHD avec écran -> compatible si une liste de contrôle des relais est utilisée
(réf. : 199-760-001 (12V) et 199-760-004 (24V))
9. Références Associées
Référence Blaxtair | Description |
|---|---|
299-210-001 | Voice Buzzer |
105-610-003 | Kit de visserie pour montage |
499-313-002 | Câble Deutsch 6 broches mâle vers fils nus, 3 m |
499-315-001 | Câble Deutsch 6 broches mâle vers USB femelle, 1 m |
%20-%20Copie.jpg?inst-v=9881e3e8-5b34-456e-a362-0e33e1217394)
%20-%20Copiehnn.jpg?inst-v=9881e3e8-5b34-456e-a362-0e33e1217394)