1.2.2 CAMERA DATASHEET
Please find the PDF version at this link.
Robust camera

Description
Camera monoscopic for Blaxtair Origin system
Industrial-grade camera, operational in harsh and tough environments, e.g. strong vibration, high impacts, and wide temperature range.
Waterproof and dustproof
Compatible with all industrial vehicle types and brands (forklift trucks, wheel loaders, excavators, etc.)
Compact and easy to integrate
![]() | ![]() |
|---|
Certifications and approvals
Standards | Type |
Water/dust protection | ISO 20653 - IP6K9K* * IP67 for the connector |
Vibrations & Shocks | ISO 16750-3 |
Electromagnetic Compatibility (EMC/EMV) | CISPR 25 |
Marks | CE, UKCA, FCC |
Region | Regulatory compliance/quality marks |
Europe | CE |
Great Britain | UKCA |
Installation / configuration notes
Camera | |
|---|---|
Front view | Side view |
![]() | ![]() |
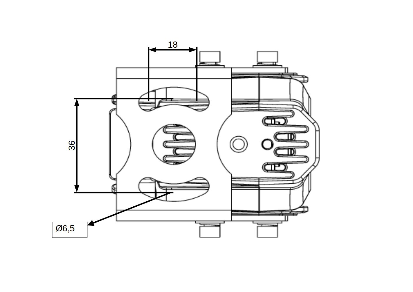
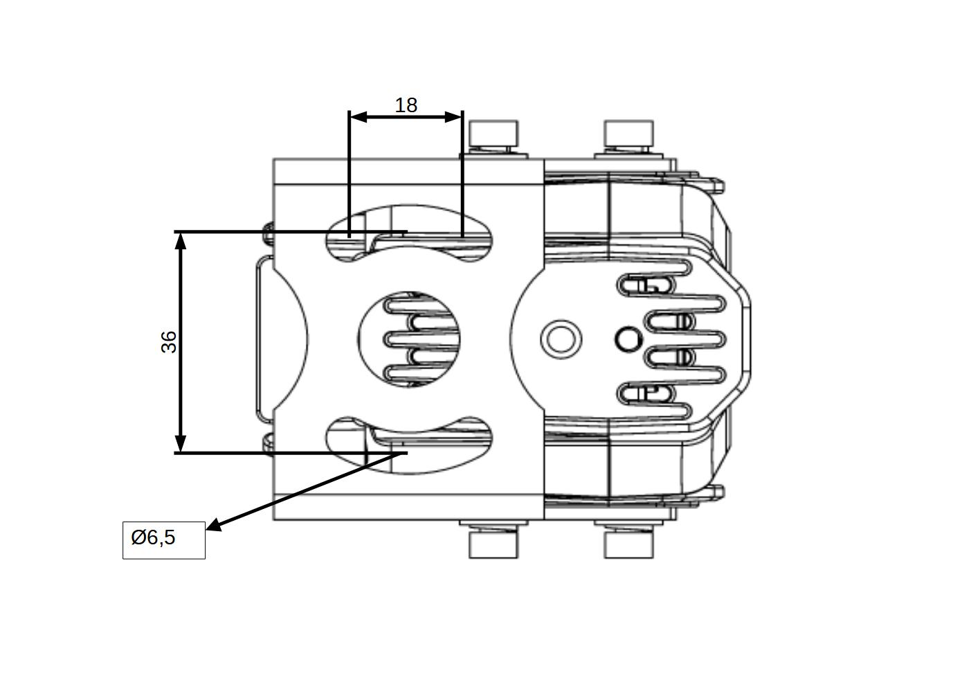
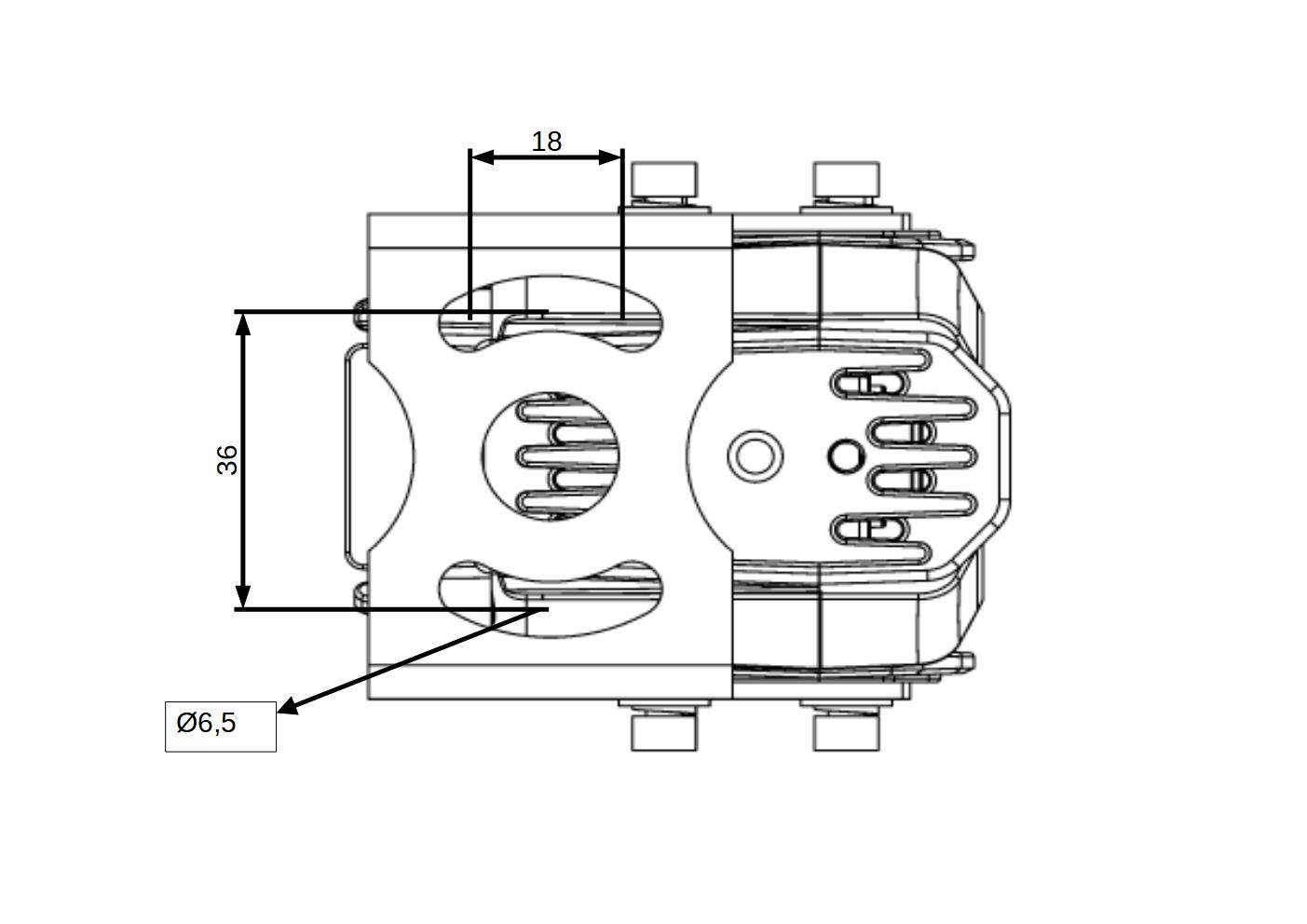
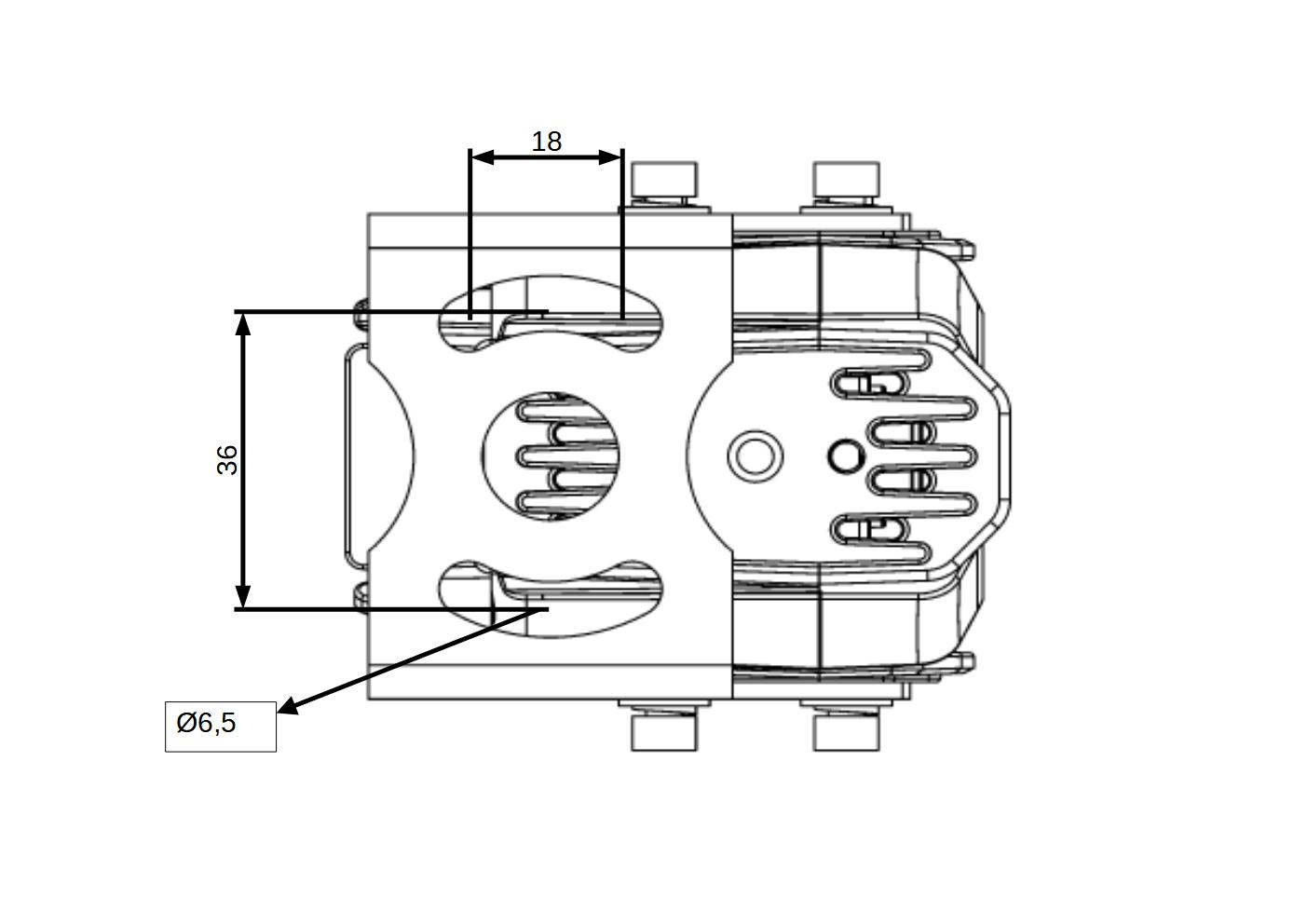
Rear view | Top view |
![]() | ![]() |
Camera with mounting bracket | |
|---|---|
Front view | Side view |
![]() | ![]() |

Camera mounting guide | |||
|---|---|---|---|
Step 1 - Mount the bracket on vehicle | Step 2 - Assemble the mounting bracket and camera | ||
![]() | ![]() | ||
1 | Screws TH M6x25 A4 (x2) | 1 | Screws CHC M4x10 A4 (x4) |
2 | Flat Washers M6 A4 (x4) | 2 | Spring Lock Washers M4 A4 (x4) |
3 | Locknuts M6 A4 (x2) | 3 | Flat Washers M4 A4 (x4) |
Step 3 - Plug the camera | |||
![]() | |||
1 | Camera connector | ||
2 | Blaxtair Origin camera | ||
Technical specifications
User connection
![]() | ||
1 | Camera cable connector | Coax AMPSEAL |
Video
Dynamic range | > 100dB (High dynamic range - HDR) |
Frame Per Seconds | >=25 |
Shutter type | Electronic rolling shutter |
Horizontal Field of view - HFOV | 139° |
Vertical Field of view - VFOV | 74° |
Resolution (H x V) | 1936 x 1216 (2.3MP) |
Mechanical
Camera | |
|---|---|
Dimensions (L x W x D) | 55 x 55 x 73 mm (2.2 x 2.2 x 2.9 in) |
Weight | 182g |
Construction | |
Camera Housing | Aluminum alloy ADC12 |
Color | Yellow Ral 1003 |
Camera with standard mounting bracket | |
|---|---|
Dimensions (L x W x D) | 94,5 x 67,6 x 73 mm (3.7 x 2.6 x 2.9 in) |
Weight | 272g |
Construction | |
Mounting bracket | Stainless steel 304L |
Camera cable | |
|---|---|
Length | 5m or 15m (196.8 or 590.5 in) |
Bend radius | 28mm |
Environmental
Water/dust protection | IP6K9K* ℹ️ * IP67 for the connector |
Operational Temperature | -40°C to +85°C (-40 °F to 185 °F) |
Storage Temperature | -40°C to +95°C (-40 °F to 203 °F) |
Ordering information
Camera | ||
|---|---|---|
100-110-001 | HS code | |
Blaxtair Origin color camera, industrial-grade, operational in harsh and tough environments, IP69K, 139° HFOV, including mounting kit | ||
Camera cables | ||
|---|---|---|
200-311-002 | HS code | |
5m Blaxtair Origin camera cable | ||
200-311-004 | HS code | |
15m Blaxtair Origin camera cable | ||











