1.2.2 CAMÉRA DATASHEET
Veuillez trouver la version PDF sur ce lien
Caméra Robuste

Description
Caméra monoscopique pour le système Blaxtair Origin
Caméra de qualité industrielle, opérationnelle dans des environnements difficiles et difficiles, par exemple de fortes vibrations, des impacts élevés et une large plage de températures.
Étanche à l’eau et à la poussière
Compatible avec tous les types et marques de véhicules industriels (chariots élévateurs, chargeuses sur pneus, pelles, etc.)
Compact et facile à intégrer
Certifications et homologations
Normes | Type |
Protection contre l’eau et la poussière | ISO 20653 - IP6K9K* IP67 pour le connecteur |
Vibrations et chocs | Norme ISO 16750-3 |
Compatibilité électromagnétique (CEM/EMV) | CISPR 25 |
Marques | CE, UKCA, FCC |
Région | Conformité réglementaire/labels de qualité |
Europe | Après Jésus-Christ |
Grande-Bretagne | L’UKCA |
Notes d’installation / configuration
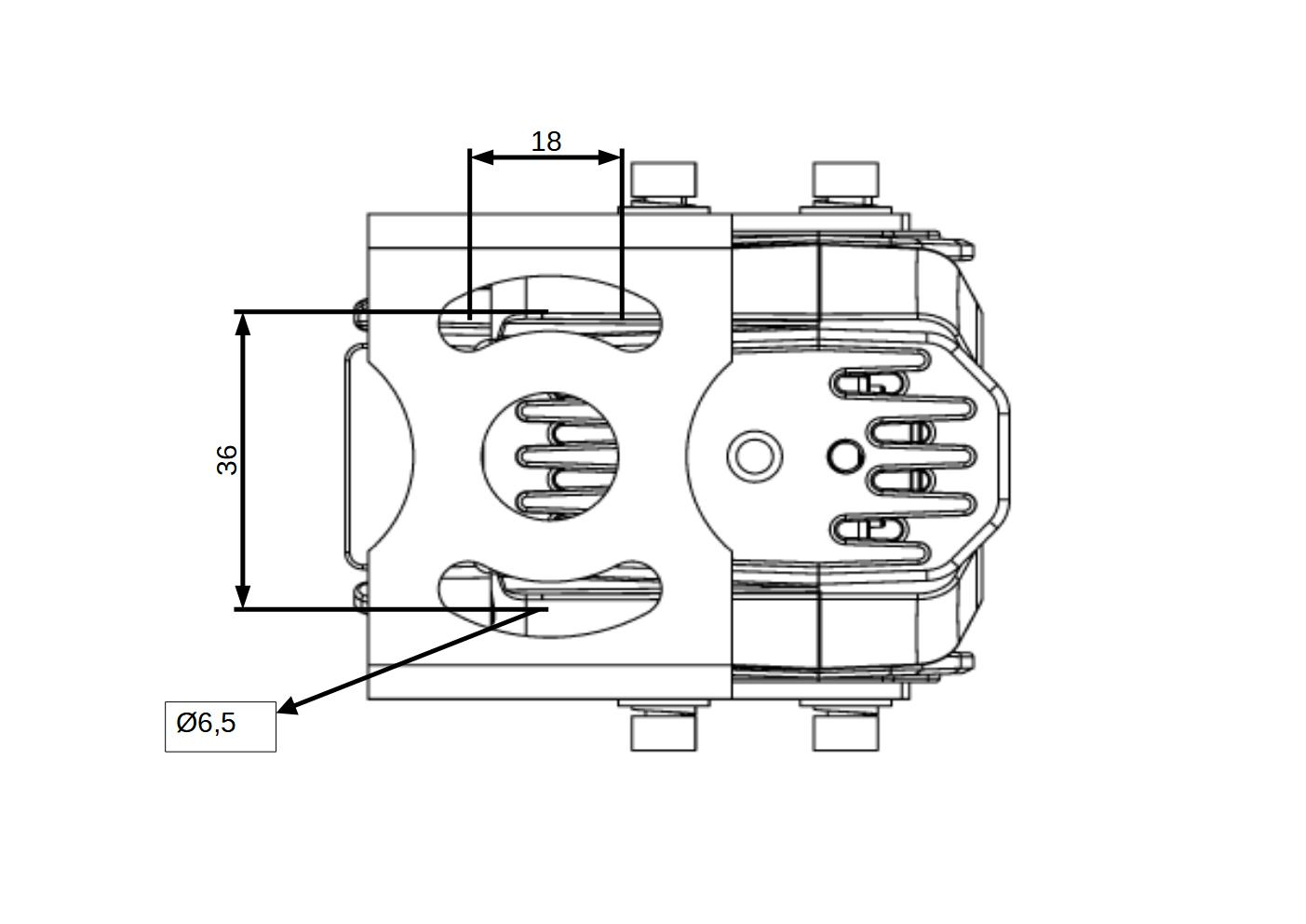
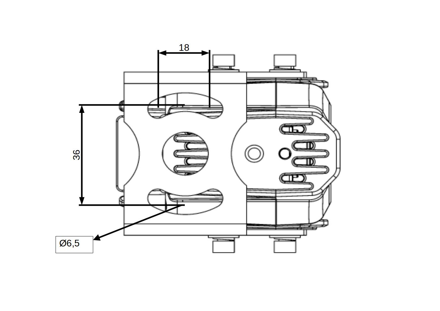
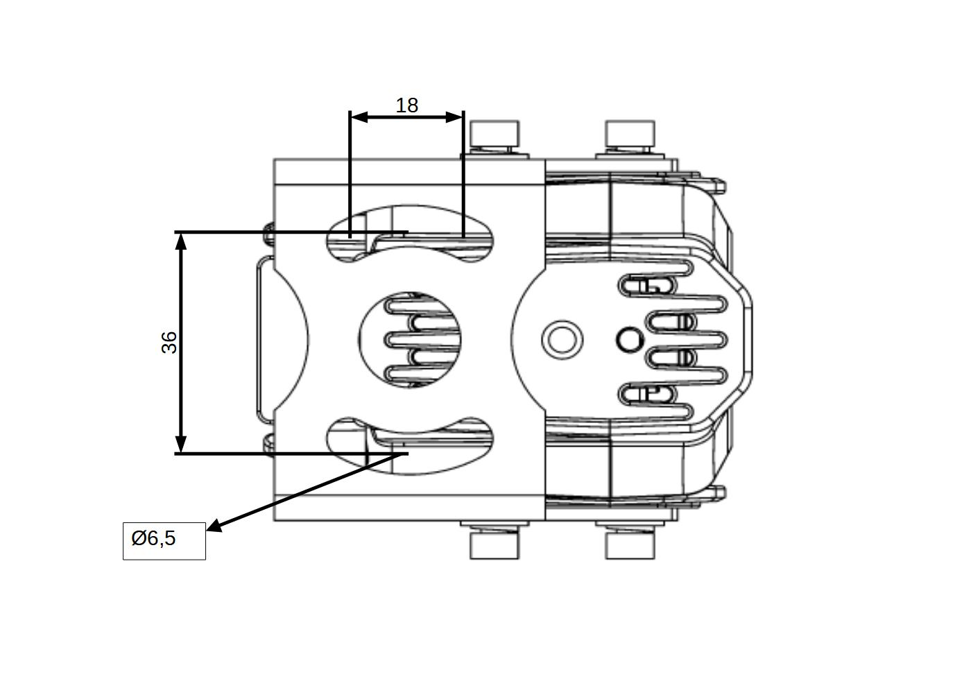
Caméra | |
|---|---|
Vue de face | Vue de côté |
![]() | ![]() |
Vue arrière | Top view |
![]() | ![]() |
Caméra avec support de montage | |
|---|---|
Vue de face | Vue de côté |
![]() | ![]() |

Guide de montage de la caméra | |||
|---|---|---|---|
Étape 1 - Monter le support sur le véhicule | Étape 2 - Assemblez le support de montage et la caméra | ||
![]() | ![]() | ||
1 | Vis TH M6x25 A4 (x2) | 1 | Vis CHC M4x10 A4 (x4) |
2 | Rondelles plates M6 A4 (x4) | 2 | Rondelles de blocage à ressort M4 A4 (x4) |
3 | Contre-écrous M6 A4 (x2) | 3 | Rondelles plates M4 A4 (x4) |
Step 3 - Plug the camera | |||
![]() | |||
1 | Connecteur de caméra | ||
2 | Appareil photo Blaxtair Origin | ||
Technical specifications
User connection
![]() | ||
1 | Connecteur du câble de la caméra | Coaxial AMPSEAL |
Vidéo
Plage dynamique | > 100 dB (plage dynamique élevée - HDR) |
Images par seconde | >=25 |
Type d’obturateur | Volet roulant électronique |
Champ de vision horizontal - HFOV | 139° |
Champ de vision vertical - VFOV | 74° |
Résolution (H x V) | 1936 × 1216 (2,3 Mpx) |
Mécanique
Caméra | |
|---|---|
Dimensions (L x l x P) | 55 x 55 x 73 mm (2,2 x 2,2 x 2,9 pouces) |
Poids | 182 grammes |
Construction | |
Boîtier de caméra | Alliage d’aluminium ADC12 |
Couleur | Jaune Ral 1003 |
Caméra avec support de montage standard | |
|---|---|
Dimensions (L x l x P) | 94,5 x 67,6 x 73 mm (3,7 x 2,6 x 2,9 pouces) |
Poids | 272 grammes |
Construction | |
Support de montage | Acier inoxydable 304L |
Câble de caméra | |
|---|---|
Longueur | 5 m ou 15 m (196,8 ou 590,5 po) |
Rayon de courbure | 28mm |
Environnemental
Protection contre l’eau et la poussière | Indice de protection IP6K9K* * IP67 pour le connecteur |
Température de fonctionnement | -40 °C à +85 °C (-40 °F à 185 °F) |
Température de stockage | -40 °C à +95 °C (-40 °F à 203 °F) |
Informations de commande
Caméra | ||
|---|---|---|
100-110-001 | Code SH | |
Caméra couleur Blaxtair Origin, de qualité industrielle, opérationnelle dans des environnements difficiles et difficiles, IP69K, 139° HFOV, kit de montage inclus | ||
Câbles de caméra | ||
|---|---|---|
200-311-002 | Code SH | |
Câble de caméra Blaxtair Origin de 5 m | ||
200-311-004 | Code SH | |
Câble de caméra Blaxtair Origin de 15 m | ||









